实例分析,电气主接线图的识读方法
电气接线是指电气设备在电路中相互连接的先后顺序。按照电气设备的功能及电压不同,电气接线可分为电气主接线(一次接线)和二次接线。
①电气主接线(一次接线)。电气一次接线泛指发、输、变、配、用电能电路的接线。
供电系统的变配电所中承担受电、变压、输送和分配电能任务的电路,称为一次电路(一次接线)或主接线。一次电路中的所有电气设备,如变压器,各种高、低压开关设备,母线、导线和电缆,及作为负载的照明灯和电动机等,称为电气一次设备或一次元器件。
②电气二次接线。为保证一次电路正常、安全、经济运行而装设的控制、保护、测量、监察、指示及自动装置电路,称为副电路,也称为二次电路(二次接线)。二次电路中的设备,如控制开关、按钮、脱扣器、继电器、各种电测量仪表、信号灯及警告音响设备、自动装置等,称为二次设备或二次元器件。
电流互感器TA及电压互感器TV的一次侧装接在一次电路,二次侧接继电器和电气测量仪表,因此,它仍属于一次设备,但在电路图中应分别画出一、二次侧接线;熔断器FU在一、二次电路中都有应用,按其装设分别归属于一、二次设备。
表达一次电路接线的电气图通常有供配电系统图,电气主接线图,自备电源电气接线图,电力线路工程图,动力与照明工程图,电气设备或成套配电装置安装图,防雷与接地工程图等。
(1)发电厂的电气主接线图
发电厂的电气主电路担负发电、变电(升压)、输电的任务。发电厂附近有电力用户时,它还有直配供电的任务。
工矿企业和相当多的电力用户有自发电设备,则自备发电站的主电路担负有发电、变电、输配电的任务。在用低压发电机时,低压负荷可直配;采用高压发电机发电的,要经过变压器降压后供电给低压负荷。
发电厂的装机容量差别很大,因而电气主接线的形式有很多。图6-29是某一小型发电厂的电气主接线图。
图6-29 某一小型发电厂的电气主接线图
下面对该图进行分析。
①发电厂的概况及负荷。该电厂为小型水力发电厂,装机容量为4×1600kW。它离城镇较近,因此,除了向电网输送35kV电能外,还要向附近地区负荷输送10kV电能。
考虑到电厂的总装机容量及有较大的近区负荷,以及最大可能输电给35kV系统电能数等因素,35kV主变压器容量选为6300kV·A。
近区负荷与发电厂距离不远,且与10kV系统连接,加之与所采用的发电机电压(6.3kV)直配线相比,除提高电能质量、减少输电损耗之外,10kV变压器对发电机的过电压保护极为有利,因此,将电厂发电机电压6.3kV经升压变压器T 2 (容量为2500kV·A)升为10.5kV后向近区供电。
②电气主接线的形式。该发电厂的电气主接线有下列两种形式。
a.单母线不分段接线4台发电机的6kV汇流母线及2号变压器高压侧10kV母线,均采用了单母线不分段接线的形式。
b.变压器-线路单元接线该电厂35kV高压侧只有一回出线,采用变压器-线路单元接线,不仅可以简化接线,而且使35kV户外配电装置的布置简单紧凑,从而减少了占地面积和费用。
另外,该电厂采用两台容量各为200kV·A的厂用变压器,分别从6kV和10kV母线取得电源,双电源提高了厂用电供电的可靠性。但是,由于这两台变压器低压侧的相位不一定相同,因此,厂用电低压220V/380V母线应分段运行,即厂用电低压母线的主接线形式应为单母线分段,而且一般常用单母线断路器分段的形式。
(2)工厂变配电所电气主接线图
某工厂变电所是将6~10kV高压降为220V/380V的终端变电所,其主接线也比较简单。一般用1~2台主变压器。它与车间变电所的主要不同之处在于:a.变压器高压侧有计量、进线、操作用的高压开关柜。因此需配有高压控制室。一般高压控制室与低压配电室是分设的。但只有一台变压器且容量较小的工厂变电所,其高压开关柜只有2~3台,故允许两者合在一室,但要符合操作及安全规定。b.小型工厂变电所的电气主接线要比车间变电所复杂。
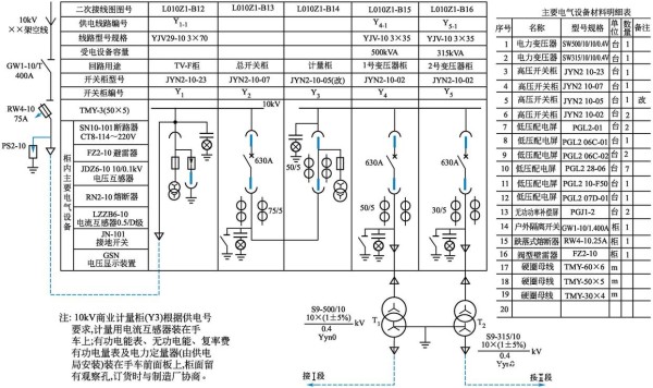
现以图6-30、图6-31所示某工厂10/0.4kV变电所高、低压侧电气主接线图为例分析如下。
图6-30
图6-31 某工厂变电所380V电气主接线图
①电源。本厂电源由地区变电所经一回4km长架空线路获取,进入厂区后用10kV电缆引入10/0.4kV变电所。
②主接线形式。10kV高压侧为单母线隔离插头(相当于隔离开关功能,但结构不同)分段,220V/380V。
③主变压器。采用低损耗的S9-500/10、S9-315/10电力变压器各一台,降压后经电缆分别将电能输往低压母线Ⅰ、Ⅱ段。
④高压侧。采用JYN2-10型交流金属封闭型移开式高压开关柜5台,编号分别为Y 1 ~Y 5 。Y 1 为电压互感器-避雷器柜,供测量仪表电压线圈、作交流操作电源及防雷保护用;Y 2 为通断高压侧电源的总开关柜;Y 3 是供计量电能及限电用(有电力定量器);Y 4 、Y 5 分别为两台主变压器的操作柜。高压开关柜还装有控制、保护、测量、指示等二次回路设备。
⑤低压部分。220V/380V低压母线为单母线经断路器分段。单母线断路器分段的两段母线I、Ⅱ分别经编号为P 3 ~P 7 、P 11 ~P 13 的PGL2型低压配电屏配电给全厂生产、办公、生活的动力和照明负荷。
P 1 、P 2 、P 9 、P 14 、P 15 各低压配电屏用于引入电能或分段联络;P 8 、P 10 是为了提高电路的功率因数而装设的PGJ1-2型无功功率自动补偿静电电容器屏。
在图6-31中,因图幅限制,P 4 ~P 7 、P 10 ~P 12 没有分别画出接线图,在工程设计图中因为要分别标注出各屏引出线电路的用途等是应详细画出的。
本厂为小型电器类工厂,属三级负荷。运行实践表明,其供电可靠性、安全性都比较好。
⑥识读工厂变配电所电气主接线图的大致步骤。读标题栏→看技术说明→读接线图(可由电源到负载,从高压到低压,从左到右,从上到下依次读图)→了解主要电气设备材料明细表。
电气主接线图在负荷计算、功率因数补偿计算、短路电流计算、电气设备选择和校验后才能绘制,它是电气设计计算、订货、安装、制作模拟操作图及变电所运行维护的重要依据。
既表示主电路中各元件及装置的相互连接关系,又表示出其排列、安装位置的主电路图,也称为装置式主电路图,或装置式电气主接线图,如图6-30及图6-31所示。
在电气设计中,这两种图都有使用的。不过,如只画系统式电气主接线图,为订货及安装起见,还要另外绘制高低压配电装置(柜、屏)的订货图。图中要具体表达出柜、屏相互位置,详细画出和列出柜、屏内所有一、二次电气设备。很明显,完整的装置式电气主接线图则兼有系统式电气主接线图和柜、屏订货图两者的作用。
(3)照明配电系统主接线
①照明配电系统的分类
a.按接线方式分类。按接线方式可分为单相制(220V)与三相四线制(220V/380V)电路两种。少数也有因接地线与接零线分开而成单相三线和三相五线的。
b.按工作方式分类。按工作方式可分为一般照明和局部照明两大类。一般照明是指工作场所的普遍性照明;局部照明是在需要加强照度的个别工作地点安装的照明。大多数工厂车间采用混合照明,即既有一般照明,又有局部照明。
c.按工作性质分类。按工作性质分类有工作照明、事故照明和生活照明三类。工作照明就是正常工作时使用的照明;事故照明是在工作照明发生故障停电时,在重要的变配电所及其他重要工作场所,应设事故照明。
d.按安装地点分类。按安装地点分类有室内照明和室外照明。其中室外照明有道路交通路灯、安全保卫、仓库料场、厂区、港口以及室外运动场地等的照明。
②照明配电系统的常用主接线示例
a.单相制照明配电主接线如图6-32所示。这种接线十分简单,当照明容量较小、不影响整个工厂供电系统的三相负荷平衡时,可采用此接线方式。
图6-32 单相制照明配电主接线
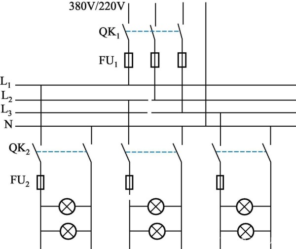
b.三相四线制照明配电主接线如图6-33所示。当照明容量较大时,为了使供电系统三相负荷尽可能满足平衡的要求,应把照明负荷均衡地分配到三相线路上,以减小线路损失。一般厂房、大型车间、住宅楼、院校等都采用380V/220V三相四线制供电这种配电方式。
图6-33 三相四线制照明配电主接线
照明控制一般都采用标准的照明配电箱,常用的标准照明配电箱有 X ( R/X ) M 1(2、3、4、···、11)及XM(R)-21等。
举报/反馈
网址:实例分析,电气主接线图的识读方法 https://m.mxgxt.com/news/view/1976934
相关内容
三相电动机星三角接线图示例影片分析方法(一)电影基础知识
电工知识:星三角电路怎么接线?俵哥分享2张实物图供大家参考
史上最全电商数据分析方法,案例和教程
4个新零售的案例及分析方法分享—九数云
涡轮流量计接线图,涡轮流量计接线图解析与操作指南
如何精通事件传播分析?揭秘有效方法与实际案例
影视作品分析的基本方法
电影产业中的数据分析方法与应用 .pdf
知识图谱的核心概念、应用场景与构建方法解析

