浙江省市场监督管理局关于全面推行食品经营许可远程视频“互联网+核查”的通知
各市、县(市、区)市场监督管理局:
为深入推进营商环境优化提升“一号改革工程”,践行“无感监管、有感服务”新理念,进一步降低审批成本,提升审批效率,助力营商环境再优化,省局探索实施较低风险食品经营许可事项远程视频“互联网+核查”,目前已在杭州上城区试点完成了许可系统升级改造和试运行。经研究,决定在全省范围内推广应用,现将有关事项通知如下:
一、工作目标
实施较低风险食品经营许可事项远程视频“互联网+核查”,打造申报信息一次采集、核查任务自动派发、场地核查表自动生成等“零见面”办理模式,以远程视频核查代替入企现场检查,打破传统现场踏勘时空限制,实现“即申即核”,做到“无事不扰、有呼必应”,切实降低审批成本,提升审批效率,不断优化食品经营领域营商环境,打造食品经营领域“有感服务、无感监管”标志性成果。
至2023年底,全省60%以上县(市、区)对食品安全风险等级较低的餐饮服务提供者实施远程视频“互联网+核查”;2024年底,全省80%以上县(市、区)推广应用“互联网+核查”;2025年底,全省所有县(市、区)常态化应用食品经营许可远程视频“互联网+核查”。
二、实施对象
(一)同时符合以下条件的较低风险食品经营许可事项的新办、变更、延续的许可核查。
1.主体业态:小型餐饮、小微餐饮,供餐人数300人以下(含300人)的单位食堂(除学校、托幼机构、养老机构食堂,内部配送中心)。
2.经营项目:热食类食品制售、冷食类食品制售(不含冷荤类)、自制饮品制售(不含自酿酒)、糕点类食品制售(不含裱花蛋糕)。
(二)承诺整改事项的证后核查。
三、实施时间
2023年8月10日起。
四、主要内容
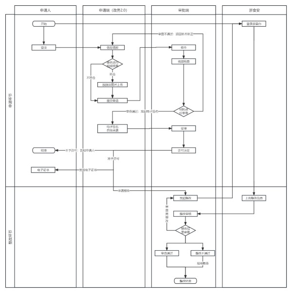
申请人申请事项适用远程视频“互联网+核查”(以下简称“视频核查”)的,按照点位清单和拍摄指引上传现场图片和视频,审批部门通过审查上传的现场图片和视频实施核查并做出许可决定。打通食品经营许可系统与“浙食安”应用,通过“浙食安”完成“最多核一次”承诺整改事项图像信息上传,并自动流转至许可系统进行事项整改。办事流程详见附件1。
(一)“互联网+核查”申请。申请人通过“浙江政务服务网”“浙里办APP”申请食品经营许可新办、变更、延续时,系统会根据申请的“经营项目”图像采集点位要求(附件2),自动匹配视频核查点位清单,申请人按照拍摄指引上传现场图片和视频(附件3),完成自我申明(附件4)。
(二)深化许可“零见面”审批。视频核查任务由系统自动识别属地乡镇(街道)并派发至所在核查部门,核查人员应当在线及时完成对现场图片和视频的“互联网+核查”。审批部门应当对照核查标准,根据申请材料审查和视频核查等情况,分类做出“准予许可”“不予许可”决定。
(三)推行证后视频整改闭环。对“最多核一次”承诺整改事项,市场监管部门应提前告知证后检查要求,申请人在规定承诺期限内以视频和图片格式通过“浙里办”-“浙食安”-整改反馈,整改信息同步推送至食品经营许可系统进行整改事项核查,实现闭环管理。
(四)探索勘查全过程视频连线。鼓励有条件的地市,借鉴上城模式,利用技术手段,依托互联网,打通数据端口,开发数字化应用平台,通过远程视频设备,由审核人员与申请人现场视频连线,为办事群众提供远程视频互动不见面服务模式,实时连线勘查,全程留痕。
五、工作要求
(一)加强组织领导。推进食品经营许可便利化是深化“证照分离”改革的重要内容,是优化营商环境激发创业创新活力的重要举措。远程视频“互联网+核查”是食品经营许可的数字化改革的积极探索,各地要高度重视,按照统一标准、规范流程严格落实,要强化改革配套保障,电脑硬件、通话连线设备等信息化装备要及时配置到位。
(二)注重协同配合。各地要加强条线协同配合、审管衔接,做好事前与事中事后的协同。审批条线要熟知业务流程,提升审批服务效能和办事服务体验;核查人员要提高视频核查质量和时效,提高视频核查应用率和通过率,扩大改革适用覆盖;监管条线要跟进完善许可后监管,确保监管与审批无缝衔接,对提供虚假现场图片和视频骗取许可的行为及时发现和处置。各地要持续完善“互联网+核查”工作机制,配套制定有针对性的日常监管措施,形成主体登记、许可审批、监督监管环节的全管理闭环,守牢食品安全底线。
(三)强化服务指导。各地要加强视频核查的事前指导、优化咨询、帮办导办等服务,做好食品经营许可的事前指导“一口清”,申请“一次过”,流程“一网通”,提升服务能力水平;要强化对申请人的风险告知,压实主体责任;要组织开展人员集中培训,确保改革工作有效承接;要多形式、全方位开展政策解读和办事引导,持续提高政策知晓度和参与度,提升改革获得感和满意度。
(四)落实督查考核。各地要常态化跟踪工作动态,及时掌握改革进度,构建规范化标准化便利化审批体系,提升智能化服务水平,强化绩效评价和数据监测,努力提升食品经营许可视频核查改革时效。
附件:1.食品经营许可“互联网+核查”申请流程
2.食品经营许可“互联网+核查”场地图像采集点位
3.食品经营许可“互联网+核查”场地图像采集拍摄要求
4.申请“互联网+核查”事项自我申明
浙江省市场监督管理局
2023年7月31日
(此件公开发布)
附件1
食品经营许可 “互联网+核查”流程
附件2
食品经营许可“互联网+核查”图像采集点位
类别/序号
热食类食品
制售
冷食类食品制售(不含冷荤类)
自制饮品制售
(不含自酿酒)
糕点类食品制售
(不含裱花蛋糕)
视频1
餐厅、食品处理区全景
视频2
/
专间或专区
专区
/
功能区图片
根据实际情况,上传原料处理(粗加工、切配、拆封等)、★烹饪(制作)、食品专间、餐具清洗消毒、食品仓储等功能间/区等图片,各功能区有明显标识。可合理缺项。
设备图片1
水池(粗加工水池和餐具清洗水池)
设备图片2
操作台、砧板刀具
设备图片3
烹饪、制作工具
设备图片4
餐具消毒设施
设备图片5
餐具保洁柜
设备图片6
冷冻冷藏设施
设备图片7
“三防设施”
设备图片8
/
专间或专区
专用设备
专区专用设备
/
设备图片9
/
/
/
食品添加剂专用柜
设备图片10
根据需要上传
附件3
食品经营许可远程视频“互联网+核查”场地图像采集拍摄指引
一、视频采集点位
(一)全景
站在食品处理区、餐厅入口处,手机朝对角拍摄,拍摄顺序为先拍天花板、再拍设备设施、最后拍地板;走到对角,手机朝刚才入口的方向,先拍天花板、再拍设备设施、最后拍地板;拍摄食品专间门打开后能自动闭合。(如有风帘,门可以不安装自动闭合器);拍摄全部窗户。
(二)专间或专用操作场所
拍摄洗手消毒和二次更衣设备、室内温湿度计、加工制作台、清洗水池、冷冻冷藏设备、独立的空调、紫外线消毒灯、地面、食品的传递窗。
二、图片采集点位
(一)功能区。拍摄包含★原料处理(粗加工、切配、拆封等)、★烹饪(制作)、食品专间、餐具清洗消毒、★食品仓储等功能间/区等的图片,各功能区应有明显标识。功能区设置在同一区域内,可以拍摄一张图片,但也应按照点位要求分别上传相应图片。
(二)设备
1.通用设备
1-1.★水池(粗加工水池和餐具清洗水池)
1-2.★操作台、砧板刀具
1-3.★烹饪、制作工具
1-4.餐具消毒设施
1-5.餐具保洁柜
1-6.★冷藏冷冻设施
1-7.★“三防设施”
2.特殊设备
2-1.食品专间/专区专用设备(紫外线消毒灯、独立空调、洗手消毒、净水器、温湿度计、专用工用具等)
2-2.食品添加剂专用柜
2-3.其他图片
★为必传点位,视频和图片点位,可根据实际情况合理缺项。
我单位已经知晓“互联网+核查”相关要求,对递交的图片、影像资料的真实性负责,如实上报食品处理区面积、布局流程、功能区设置以及食品安全设施设备配置等视频和图片材料。需要设置食品专间的,严格遵守“不小于5㎡”的要求。对承诺整改的事项,严格按规定时限完成整改,并及时通过“浙食安”上传整改信息。同时,严格遵守《中华人民共和国食品安全法》等相关法律法规规定。对《中华人民共和国食品安全法》等相关法律后果已知晓,愿意依法承担相应的责任。
网址:浙江省市场监督管理局关于全面推行食品经营许可远程视频“互联网+核查”的通知 https://m.mxgxt.com/news/view/1858238
相关内容
浙江省市场监督管理局关于印发《明星商业广告代言行为合规指引》的通告吕梁市食药监局局长刘建军到兴县考核2017年度食品药品监督管理工作
浙江省市场监管局发布《明星商业广告代言合规指引》
延安市市场监督管理局赴华阴考察学习“阳光食堂+智慧监管”工程建设
全省首家! 江苏省药监局审评核查苏州分中心启动运行
国家市场监督管理总局回应:开展“严厉打击肉类产品违法犯罪专项整治行动”
河北省市场监督管理局关于下达2025―2026年地方计量技术规范制修计划的通知
浙江省市场监管局:明星不得代言未使用过商品
省市市场监管部门联动赴有关企业开展“食安护航”帮扶活动
浙江省市监局发布 《明星商业广告代言行为合规指引》

